Вы смотрите фотографию с сайта TOO BenzoGasStroy - чтобы вернуться на него перейдите по ссылке benzogasstroy.kz
| Новая разработка насосов серии Corken Z3500 для пропан бутана.
Хорошо зарекомендовала себя при эксплуатации в составе ГНС и автомобилей газовозов. Использование высококачественных материалов обеспечивает долговечность и надежность эксплуатации. |
|
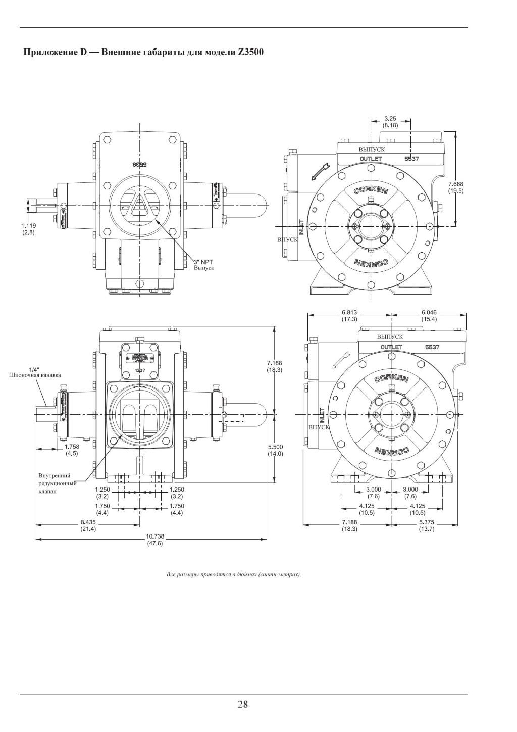
Входной фланец
|
3“ NPT
|
|
Выходной фланец
|
3“ NPT
|
|
Мин скорость вращения
|
420 об в мин
|
|
Макс скорость вращения
|
800 об /мин
|
|
Макс диф давление
|
8,6 бар
|
|
Макс производительнсть
|
См график
|
Производительность насоса Corken Z3500 зависит от скорости вращения и диф давления
